Los sistemas rectificadores ESB de 48 V CC y 200 A se han diseñado específicamente para el proyecto de modernización de sistemas de estaciones base de telecomunicaciones en Sudamérica. Estos sistemas robustos proporcionan la energía esencial a los equipos de las estaciones, garantizando un funcionamiento ininterrumpido incluso en condiciones adversas y, por consiguiente, mejorando la estabilidad de los servicios de comunicación.
Descripción general del sistema
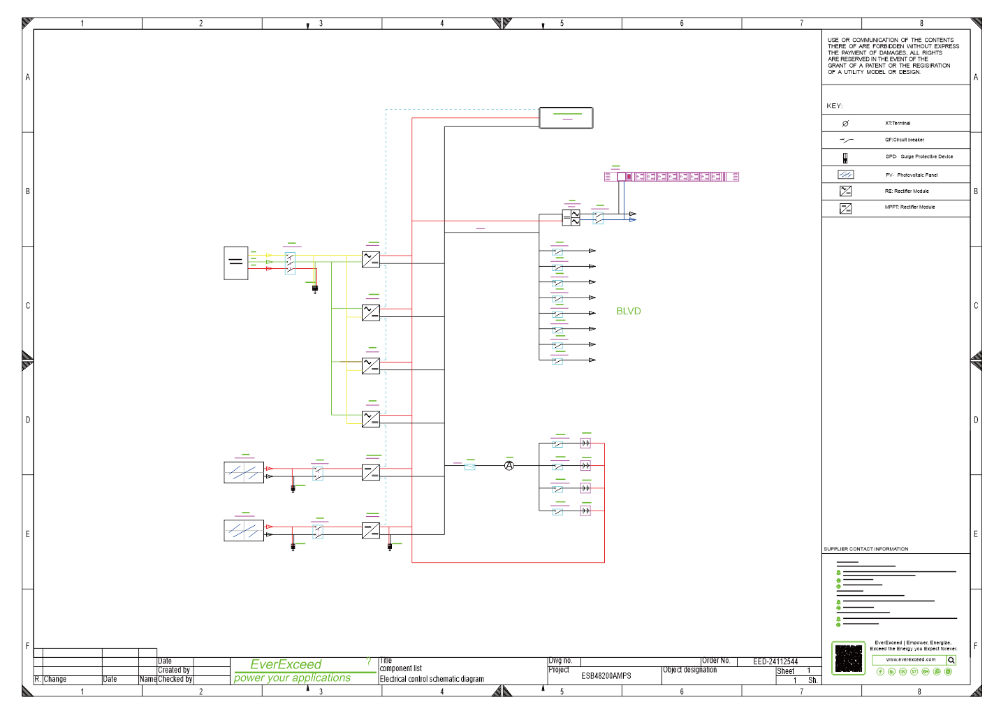
Los sistemas rectificadores de telecomunicaciones personalizados de la serie ESB están diseñados con el concepto de un "sistema de alimentación de estación base multifuncional integrado". Incluye el módulo rectificador, el módulo solar MPPT, el inversor, la batería de litio, el módulo de monitorización, la PDU (Unidad de Distribución de Energía) y el armario de la estación base en una única plataforma.
| Especificación general | Especificación general | |
| Modelo | ESB48VDC200A |
|
| Temperatura de funcionamiento | De -10 °C a +45 °C | |
| Temperatura de almacenamiento | -25°C~70°C (sin incluir las baterías) | |
| Humedad relativa | 5%~95% HR (sin condensación de humedad) | |
| Altitud | 2000 m máx. sin reducción de potencia | |
| Ventilador de refrigeración | 21W*2 | |
| Clasificación IP | IP20 | |
| Dimensión (mm) | Ancho 600 mm * Profundidad 900 mm * Alto 2000 mm | |
Diseño destacado
Todo en uno: El armario está altamente integrado. Resulta especialmente adecuado para las necesidades de las redes de comunicaciones que requieren un despliegue rápido, un funcionamiento eficiente y una expansión flexible.
Diseño de monitorización de interruptores automáticos: Integra múltiples mecanismos de protección (sobrecarga, cortocircuito, subtensión) para monitorizar el estado y los parámetros del interruptor automático en tiempo real. Permite la gestión remota para la detección temprana de posibles fallos.
Diseño de distribución de energía múltiple: Combina alimentación de CC, batería bidireccional y distribución fotovoltaica, todo ello equipado con protección contra sobretensiones. La distribución de CC incluye BLVD para evitar la sobredescarga de la batería, prolongando así su vida útil.
Diseño de módulos intercambiables en caliente: Los módulos 1U intercambiables en caliente admiten el intercambio en caliente en línea, lo que garantiza un suministro de energía continuo a la batería y la carga. Los módulos cuentan con reparto de corriente inteligente, respaldo de redundancia y ajuste flexible de la potencia de salida.
Sistema de monitoreo centralizado: El sistema de monitorización FSU integrado con arquitectura B/S admite acceso a la red. Monitoriza de forma centralizada los módulos rectificadores, los módulos MPPT fotovoltaicos, los inversores y las baterías de litio, ofreciendo una interfaz de usuario completa y una experiencia interactiva.
Diseño de protección contra sobretensiones: Equipado con protectores contra sobretensiones de CA, fotovoltaicos y de CC, con fusibles intercambiables en caliente para facilitar su reemplazo, que protegen eficazmente los equipos contra rayos y sobretensiones transitorias de frecuencia de red.
Escanear a WeChat:everexceed
